Article Categories
- All Categories
-
Data Structure
-
Networking
-
RDBMS
-
Operating System
-
Java
-
MS Excel
-
iOS
-
HTML
-
CSS
-
Android
-
Python
-
C Programming
-
C++
-
C#
-
MongoDB
-
MySQL
-
Javascript
-
PHP
-
Economics & Finance
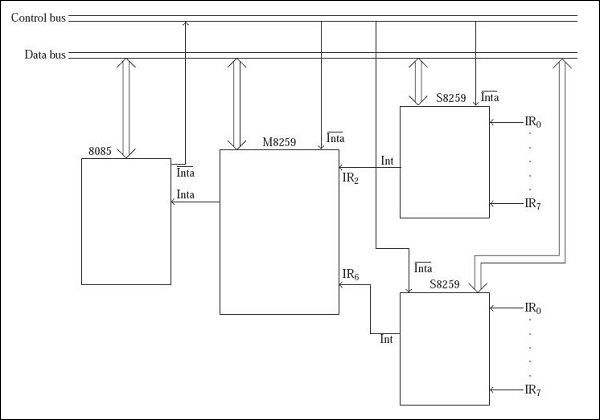
Use of 8259 in an 8086-based system
The interrupt requests are accepted by 8259 from eight interrupting devices on the pin ranging fromIR0 toIR7. After that, it identifies the priority interrupt having the highest request from the inputs which are active. It is possible for us to configure the 8259 for the mode of operation of "fixed priority" mode.Here, among the priorities, IR0 has the highest and IR7 has the lowest. If the three inputs IR2,IR4,and IR6 are in active state, then IR2 will have is the highest priority interrupt request than the other active requests.
We can mask the requests of the interrupts by installing the interrupt mask register. If the two requests of the interrupts IR2 andIR3 are masked, then the highest priority interrupt request among the others is IR4among the others which are not masked. Now the processor can check or service the interrupt request IR5. Now the Information about the requests of the interrupts which are presently getting serviced will be kept in (ISR).
We have a resolver unit called the priority resolver unit in 8259. The inputs are received from IRR, IMR, and ISR and identifies the priority request which has the highest priority. We know the priority of IR4is much greater comparable to IR5which is currently getting serviced.
Hence the priority resolver activates the output INT only when the given conditions are satisfied −
The input IR must be activated
The input IR should not be masked
The processor which is presently not doing the servicing an IR request should have the highest priority.

Fig:Interfacing of 8259 with 8085 processor

Fig: Multiple flags are used
