- MATLAB Simulink - Home
- MATLAB Simulink - Introduction
- MATLAB Simulink - Environment Setup
- MATLAB Simulink - Starting Simulink
- MATLAB Simulink - Blocks
- MATLAB Simulink - Lines
- MATLAB Simulink - Build & Simulate Model
- MATLAB Simulink - Signals Processing
- MATLAB Simulink - Adding Delay To Signals
- MATLAB Simulink - Mathematical Library
- Build Model & Apply If-else Logic
- MATLAB Simulink - Logic Gates Model
- MATLAB Simulink - Sinewave
- MATLAB Simulink - Function
- MATLAB Simulink - Create Subsystem
- MATLAB Simulink - For Loop
- MATLAB Simulink - Export Data
- MATLAB Simulink - Script
- Solving Mathematical Equation
- First Order Differential Equation
Selected Reading
MATLAB Simulink - Sine Wave
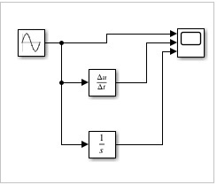
In this chapter we will integrate and differentiate sine wave by using the derivative and integrator blocks.
Open blank model and Simulink library as shown below −
Let us pick the sine wave from sources library and scope block from sinks library.
We would like to add the derivative and integrator block from continuous library as shown below −
We would need 3 input ports for scope block as the sine wave, derivative and integrator block will be connected to it.
Right click on the scope block and change the inputs from 1 to 3 as shown below −
Connect the lines as shown below −
Now, run the model to see the display.
So, we have three signals sine wave, derivative and integrator.
Advertisements