Article Categories
- All Categories
-
Data Structure
-
Networking
-
RDBMS
-
Operating System
-
Java
-
MS Excel
-
iOS
-
HTML
-
CSS
-
Android
-
Python
-
C Programming
-
C++
-
C#
-
MongoDB
-
MySQL
-
Javascript
-
PHP
-
Economics & Finance
Selected Reading
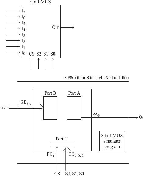
Simulation of 8 to 1 multiplexer
We shall write a program in assembly language just for the simulation of a multiplexer 8 to 1 which is used by the logic controller interface.
The pins of the 8 to 1 multiplexer to be simulated are assumed to be as shown in the fig.
For this multiplexer simulation, 8255 ports as indicated in the following provide the inputs and outputs.
- Port B used as I7-0 inputs;
- Pin 7 of Port C used as chip select;
- Pins 6-4 of Port C used as select inputs;
- Pin 0 of Port A used as output of multiplexer.
Sample Code
FILE NAME Prog_MUX.ASM ORG C100H TABLE DB 01H, 02H, 04H, 08H, 10H, 20H, 40H, 80H ORG C000H PA EQU D8H PB EQU D9H PC EQU DAH CTRL EQU DBH MVI A, 10001010B OUT CTRL ; Configure 8255 ports LOOP: IN PC RLC JNC LOOP ; Wait in the loop till chip is enabled RLC RLC RLC ANI 07H ; Now LS 3 bits of A will have select inputs LXI H, TABLE ADD L MOV L, A ; Point HL to proper row of look up table IN PB ANA M ; AND Port B with a value from look up table JZ SKIP MVI A, 01H SKIP: OUT PA ; Send out the value of selected input JMP LOOP
Advertisements
